导航切换
Home
About US
Product Catalogue
Customized Bearings
Search
Contact Us
Login
/
Register
Home
深沟球轴承
FAG 6305-H-2Z-C3(,10/、10)
Share
×
Share
×
Favor
FAG 6305-H-2Z-C3(,10/、10)
Sales Price
¥
Login visible
/ 套
0
Sales
Mobile Buy
FAG
FAG
coupon
满5000减100
满1000减20
满300减5
¥
100
element
满5000减100
Applicable throughout the venue
receive
¥
20
element
满1000减20
Applicable throughout the venue
receive
¥
5
element
满300减5
Applicable throughout the venue
receive
Optional specifications
包装形式
选择工包
出库执行
西南K8仓
Number
-
+
(Inventory
2044
套)
Confirm
Cancel
¥
Login visible
/ 套
Home
Favor
Buy
Add Cart
Add Cart
Detail
润滑剂:
GA14 标准润滑脂组D<=62mm
尺寸/热稳定性:
to 120°
公差等级:
P6 等级6(P6)
保持架:
JN 冲压钢板
密封:
2Z 两侧非接触式防尘盖
内部设计更改:
C C系列
Version:
on bearing
您当前的产品型号:
您当前的产品型号
Tmax:
120°C
Tmin:
-20°C
温度范围:
f0:
12.4
计算因素:
ra:
max1.1mm
Da:
max55mm
da:
min32mm
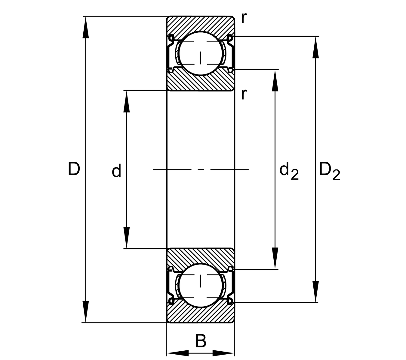
安装尺寸:
d2:
34mm
D2:
54mm
rmin:
1.1mm
尺寸:
≈m:
0.224kg
ner:
13,5001/min
nG:
15,1001/min
Cur:
790N
C0r:
11,500N
Cr:
26,500N
B:
17mm
D:
62mm
d:
25mm
主要尺寸和性能数据:
6305-H-2Z-C3(工包,10个/包、10个起订)
Warm prompt
×
The product has been successfully added to the shopping cart!
Shopping Cart Total
0
Items
GoCart
ContinueBuy
×
ContinueScan