导航切换
Home
About US
Product Catalogue
Customized Bearings
Search
Contact Us
Login
/
Register
Home
薄壁轴承
FAG 7306B.MP.UA
TMC G8
Share
×
TMC G8
Share
×
Favor
TMC G8
FAG 7306B.MP.UA
Sales Price
¥
Login visible
/ 套
0
Sales
Mobile Buy
FAG
FAG
coupon
满5000减100
满1000减20
满300减5
¥
100
element
满5000减100
Applicable throughout the venue
receive
¥
20
element
满1000减20
Applicable throughout the venue
receive
¥
5
element
满300减5
Applicable throughout the venue
receive
Optional specifications
包装形式
选择商包
出库执行
西北B9仓
Number
-
+
(Inventory
1
套)
Confirm
Cancel
¥
Login visible
/ 套
Home
Favor
Buy
Add Cart
Add Cart
Detail
您当前的产品型号:
您当前的产品型号
设计变量:
B B(接触角25°)
密封:
不带 无
保持架:
MP 球引导大型黄铜保持架
公差等级:
P6 等级6(P6)
润滑剂:
不带 无
尺寸/热稳定性:
S0 热稳定性尺寸(150°)
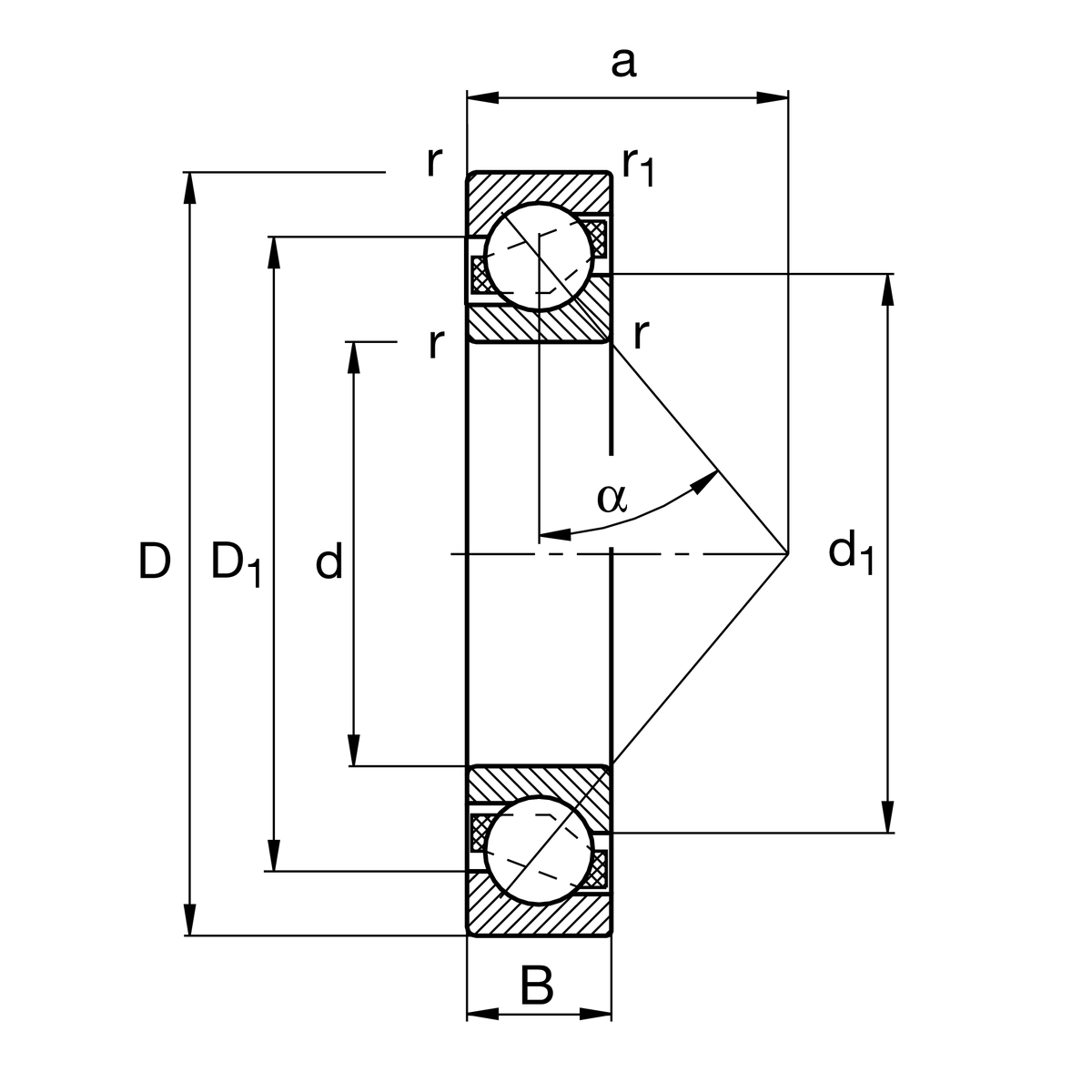
主要尺寸和性能数据:
d:
30mm
D:
72mm
B:
19mm
Cr:
35,500N
C0r:
20,100N
Cur:
1,390N
nG:
17,6001/min
ner:
8,7001/min
≈m:
0.37kg
尺寸:
rmin:
1.1mm
r1:
min0.6mm
D1:
55.9mm
d1:
47.12mm
a:
31mm
啊:
40°
安装尺寸:
da:
min37mm
Da:
max65mm
Db:
max67.8mm
ra:
max1mm
ra1:
max0.6mm
温度范围:
Tmin:
-30°C
Tmax:
150°C
7306B.MP.UA
Warm prompt
×
The product has been successfully added to the shopping cart!
Shopping Cart Total
0
Items
GoCart
ContinueBuy
×
ContinueScan