导航切换
Home
About US
Product Catalogue
Customized Bearings
Search
Contact Us
Login
/
Register
Home
深沟球轴承
FAG 6305TB.P63
Share
×
Share
×
Favor
FAG 6305TB.P63
Sales Price
¥
Login visible
/ 套
8
Sales
Mobile Buy
FAG
FAG
coupon
满5000减100
满1000减20
满300减5
¥
100
element
满5000减100
Applicable throughout the venue
receive
¥
20
element
满1000减20
Applicable throughout the venue
receive
¥
5
element
满300减5
Applicable throughout the venue
receive
Optional specifications
包装形式
选择商包
出库执行
华北Y9仓
Number
-
+
(Inventory
3
套)
Confirm
Cancel
¥
Login visible
/ 套
Home
Favor
Buy
Add Cart
Add Cart
Detail
您当前的产品型号:
您当前的产品型号
密封:
不带 无
保持架:
JN 冲压钢板
公差等级:
PN PN
尺寸/热稳定性:
to 120°
润滑剂:
不带 无
内部径向游隙:
CN 组N(CN)
内孔类型:
Z 圆柱
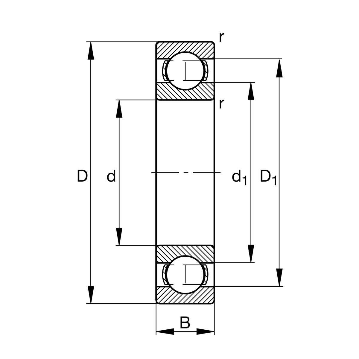
主要尺寸和性能数据:
d:
25mm
D:
62mm
B:
17mm
Cr:
23,800N
C0r:
11,500N
Cur:
780N
nG:
16,200 r/min
ner:
12,300 r/min
≈m:
0.23kg
尺寸:
rmin:
1.1mm
D1:
50.2mm
d1:
36.4mmShoulderdiameterinner
安装尺寸:
da:
min32mm
Da:
max55mm
ra:
max1.1mm
计算因素:
f0:
12.4
温度范围:
Tmin:
-30°C
Tmax:
120°C
Warm prompt
×
The product has been successfully added to the shopping cart!
Shopping Cart Total
0
Items
GoCart
ContinueBuy
×
ContinueScan