导航切换
Home
About US
Product Catalogue
Customized Bearings
Search
Contact Us
Login
/
Register
Home
密封组件
INA DRS75185
Hot
Share
×
Hot
Share
×
Favor
Hot
INA DRS75185
Sales Price
¥
Login visible
/ 套
0
Sales
Mobile Buy
INA
INA
coupon
满5000减100
满1000减20
满300减5
¥
100
element
满5000减100
Applicable throughout the venue
receive
¥
20
element
满1000减20
Applicable throughout the venue
receive
¥
5
element
满300减5
Applicable throughout the venue
receive
Optional specifications
包装形式
选择商包
出库执行
华东Z3仓
华东4D仓
Number
-
+
(Inventory
4
套)
Confirm
Cancel
¥
Login visible
/ 套
Home
Favor
Buy
Add Cart
Add Cart
Detail
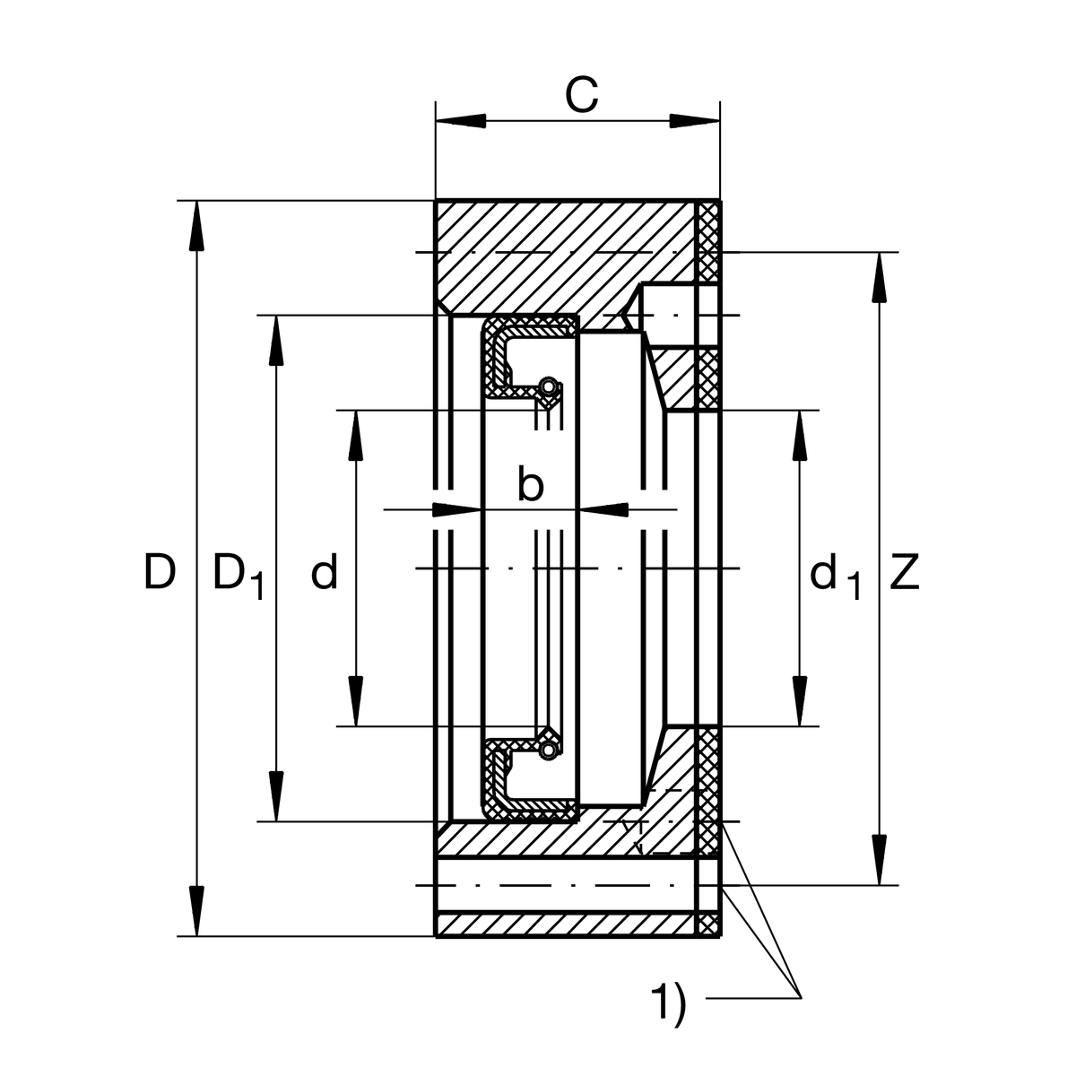
主要尺寸和性能数据:
d1:
135 mm
D:
185mm
C:
36 mm
≈m:
2.42 kg
尺寸:
Z:
172.5 mm
d:
135mm
D1:
160 mm
b:
15mm
M5X50:
1):
4
附加信息:
ZARF75185(-L)-TV:
DRS75185
Warm prompt
×
The product has been successfully added to the shopping cart!
Shopping Cart Total
0
Items
GoCart
ContinueBuy
×
ContinueScan