导航切换
Home
About US
Product Catalogue
Customized Bearings
Search
Contact Us
Login
/
Register
Home
外球面球轴承
INA RAE35-XL-NPP-B
Promote
Share
×
Promote
Share
×
Favor
Promote
INA RAE35-XL-NPP-B
Sales Price
¥
Login visible
/ 套
0
Sales
Mobile Buy
INA
INA
coupon
满5000减100
满1000减20
满300减5
¥
100
element
满5000减100
Applicable throughout the venue
receive
¥
20
element
满1000减20
Applicable throughout the venue
receive
¥
5
element
满300减5
Applicable throughout the venue
receive
Optional specifications
包装形式
选择商包
出库执行
华东1O仓
华东7M仓
Number
-
+
(Inventory
88
套)
Confirm
Cancel
¥
Login visible
/ 套
Home
Favor
Buy
Add Cart
Add Cart
Detail
您当前的产品型号:
您当前的产品型号
密封:
NPP NPP
外表面形状:
B B
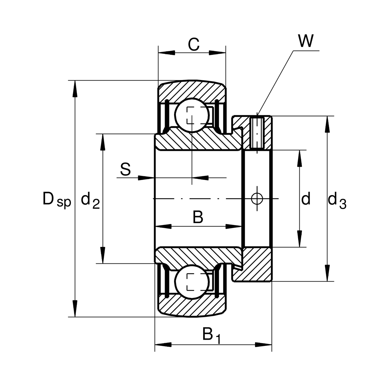
主要尺寸和性能数据:
d:
35mm
DSP:
72mm
B:
25.4mm
B1:
39 mm
nG:
Grease 11,700 r/min
Cr:
25,500 N
C0r:
15,300 N
Cur:
650 N
≈m:
0.52 kg
尺寸:
C:
19 mm
S:
9.5 mm
d2:
44.6 mm
d3:
55 mm
W:
5 mm
计算因素:
f0:
13.8
RAE35-XL-NPP-B
Warm prompt
×
The product has been successfully added to the shopping cart!
Shopping Cart Total
0
Items
GoCart
ContinueBuy
×
ContinueScan