导航切换
Home
About US
Product Catalogue
Customized Bearings
Search
Contact Us
Login
/
Register
Home
关节轴承
INA GE100-SX
Promote
Share
×
Promote
Share
×
Favor
Promote
INA GE100-SX
Sales Price
¥
Login visible
/ 套
0
Sales
Mobile Buy
INA
INA
coupon
满5000减100
满1000减20
满300减5
¥
100
element
满5000减100
Applicable throughout the venue
receive
¥
20
element
满1000减20
Applicable throughout the venue
receive
¥
5
element
满300减5
Applicable throughout the venue
receive
Optional specifications
包装形式
选择商包
出库执行
华北G8仓
华东1O仓
Number
-
+
(Inventory
23
套)
Confirm
Cancel
¥
Login visible
/ 套
Home
Favor
Buy
Add Cart
Add Cart
Detail
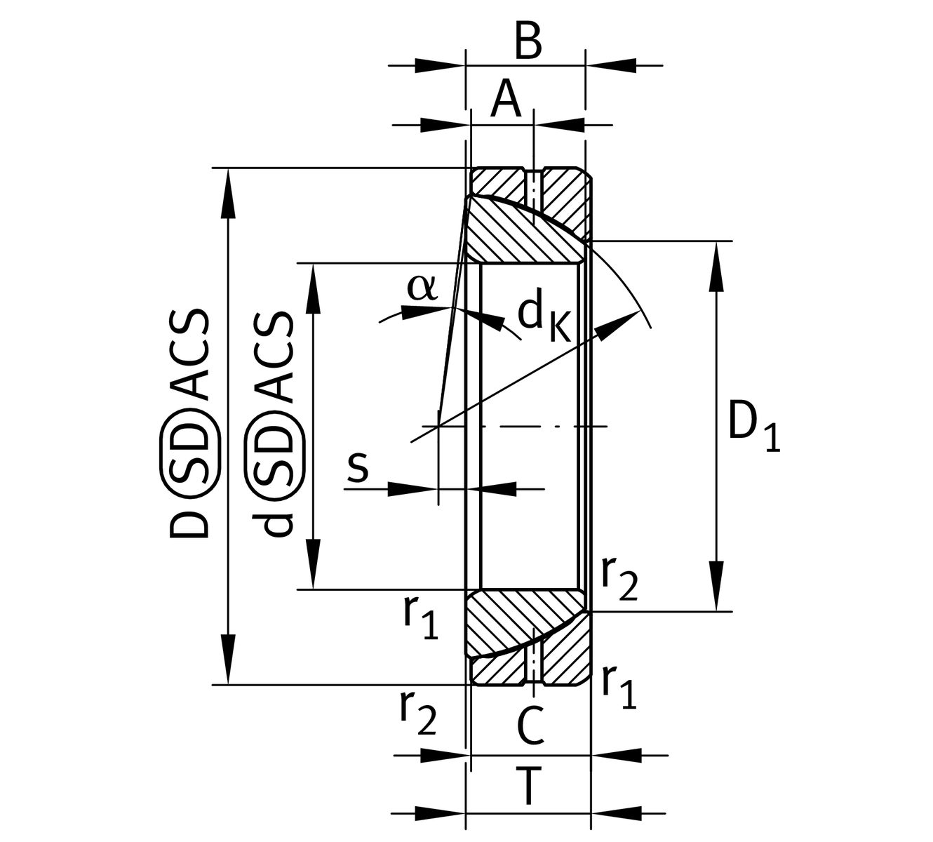
主要尺寸和性能数据:
d:
100mm
D:
150mm
T:
32 mm
Cr:
339,000 N
C0r:
1,700,000 N
≈m:
2.301 kg
尺寸:
dK:
140 mm
d2:
128 mm
D1:
114.3 mm
B:
30mm
C:
30 mm
s:
12 mm
A:
16 mm
α:
1.7 °
dOT:
0 mm
dUT:
-0.02 mm
DOT:
0 mm
DUT:
-0.02 mm
TOT:
0.25 mm
TUT:
-0.25 mm
COT:
0 mm
BOT:
0 mm
BUT:
-0.4 mm
安装尺寸:
r1smin:
2 mm
r2smin:
0.6 mm
da:
max 112 mm
Da:
min 123 mm
Db:
min 142 mm
温度范围:
Tmin:
-60°C
Tmax:
200°C
GE100-SX
Warm prompt
×
The product has been successfully added to the shopping cart!
Shopping Cart Total
0
Items
GoCart
ContinueBuy
×
ContinueScan